
沼气掺烧
沼气掺烧系统
日期:2017-12-07 12:57浏览次数:
沼气掺烧系统
主要产品系列如下: 一、水煤浆应用持术的开发与推广。包括水煤浆浆制浆技术,水煤浆添加剂的研发与销售,水煤浆燃烧器的研发与销售,水煤浆热风炉 的研发与销售。高温***低......
咨询热线:137-2321-7548
- 产品介绍
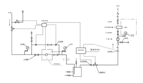
沼气输送掺烧系统
在生物制药、酒精、造纸、生物食品加工等行业工业沼气作为污水处理副产品产生,沼气是***燃料,1m³沼气相当于1kg 普通烟煤,热值大概在5000kCal,每天产生5000m³就相当于5 吨普通烟煤价值约0.3 万元,年按330 天计算,全部利用将节省近100 万元的燃料费用。
我们从 2007 年开始对沼气在燃煤锅炉内的掺烧技术进行研究探索,逐步形成了具有自身特色的成熟技术,已在国内几十家知名企业实践应用,作为国内首家专业做沼气掺烧设备的厂家,我们提供的系统整体投资少、实施周期短、运行稳定可靠、操作简单。
我们的技术特点:
1、根据用户情况针对性的设计沼气掺烧器及整个系统,适用于流化床锅炉和炉排锅炉,沼气占锅炉热负荷范围0~70%,锅炉蒸发量范围2t/h~260t/h。
2、整个系统首要考虑安全问题,掺烧器为主动防回火结构,系统设有防回火探头、专用阻火器,与锅炉运行及气源供应状况做硬件连锁,水封罐等多方面保证安全。
3、沼气的输送系统做到“输送量等于产生量”,也可以选用无气柜输送系统,省掉气柜投资。
4、控制系统采用PLC(可编程控制器)和就地触摸屏,既可以现场控制,也可以连接至锅炉DCS 系统。
沼气掺烧系统图:






